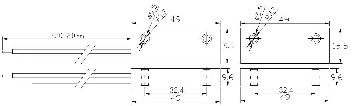
Lead Time :2-7days
Magnetic contact is widely used for alarm system(panel) to detect state of door or window. It consists of reed switch part and magnet part .
NC type we define:
When door is closed, reed switch is effected by magnet and switch ON;


Comment count: 0